Conception et prototypage

I. SCHÉMA BLOC

Les joueurs vont communiquer avec le plateau de LEDs en utilisant l’écran tactile TFT via le microcontrôleur ESP32.

Shéma_bloc

II. CONCEPTION

A. Conception de la maquette

Modèle 3D de la plaforme de jeu

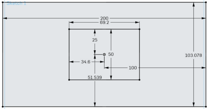
La forme finale du plateau sera la suivante : base de 200x200 mm, face supérieure de 160x200 mm et hauteur de 120 mm. Nous dessinerons ce plateau sur le logiciel de modelisation 3D Onshape. Ensuite, nous dessinerons chaque plaque qui formera le plateau final, ainsi que les pièces complémentaires, puis nous les imprimerons en 3D ou les découperons au laser.

<model-viewer> template

Calcul de la taille du plateau

Afin de gagner du temps et de réduire les coûts des matériaux, l’impression 3D ne sera pas utilisée pour l’ensemble de la maquette. Seule la face supérieure sera imprimée en 3D pour une épaisseur de 3 mm, ainsi que des petites pièces permettant de joindre chaque face entre elles pour obtenir la maquette finale. Les faces lattérales seront réalisées à partir de plaques de bois d’une épaisseur de 3 mm.

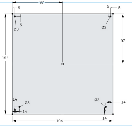
1. Les faces lattéraux

Toutes les faces latérales en plaque de bois devront être découpées au laser, avec des trous de 3 mm de diamètre pour faciliter la visse.

Photo les_faces_lattéraux

les faces lattéraux du plateau de jeu

1.1 La face de droite

Photo La faces de droite

La face de droite

Photo La faces de droite

La face de droite

1.2 La face de gauche

Photo La faces de gauche

La face de gauche

Photo La faces de gauche

La face de gauche

1.3 La face arrière

Photo La face arrière

La face arrière

Photo La face arrière

La face arrière

1.4 La face avant

Celle-ci sera composée de trois plaques de bois jointes entre elles en fonction de la hauteur de la maquette, avec une inclinaison de 157,034° par rapport aux deux autres.

1.4.1 La plaque supérieure

Photo Plaque_supérieure

Plaque_supérieure

Photo Plaque_supérieure

Plaque_supérieure

1.4.2 la plaque intermédiaire

Photo la plaque intermédiaire

la plaque intermédiaire

Photo la plaque intermédiaire

la plaque intermédiaire

1.4.3 La plaque inférieure

Photo la plaque inférieure

la plaque inférieure

Photo la plaque inférieure

la plaque inférieure

1.4.4 La plaque de base du plateau

Photo la plaque de base

La plaque de base du plateau

Photo la plaque de base

La plaque de base du plateau

Le plateau sera assis sur quatre repose-pieds en forme de cylindre, fabriqués à l’aide d’une impréssion 3D.

Photo la plaque de base

Support du plateau

1.4.5 La face de dessus du plateau

Photo la plaque de base

Dimenssion du dessus du plateau

Photo la plaque de dessus

Air de conquête

Photo la plaque de dessus

Impression de l'air de jeu

2. Les jointures

Les jointures seront effectuées en utilisant une impression 3D, puis nous y ajouterons des inserts qui nous permettront d’associer les différentes faces entre elles.

2.1 Les 4 jointures arrières

Quatre d’entre elles seront imprimées et permettront d’associer les plaques de gauche, de droite, de l’arrière, du dessus et de la base du plateau.

Photo jointure_b

Les 4 jointures arrières

2.2 Les jointures avant

2.2.1 Les jointures supérieures

On imprimera deux d’entre elles qui permettront de combiner les plaques de gauche, de droite, du dessus et de la plaque avant supérieure.

Photo jointure_a1

Les jointures supérieures

2.2.2 Les jointures intermédiaires

Chacune sera imprimée au nombre de deux et permettra de relier la plaque intermédiaire qui portera l’écran aux deux plaques supérieures et inférieurs.

Photo jointure_a2

Jointure reliant les plaques supérieure et intermédiaire

Photo jointure_a3

Jointure reliant les plaques intermédiaire et inférieure

2.2.2 Les jointures inférieures

On imprimera deux d’entre elles qui permettront de combiner les plaques de gauche, de droite, de la base du plateau et de la plaque avant inférieure.

Photo jointure_a4

Les jointures inférieures

2.3 Impression et ajout des inserts

Photo impression jointure_a4

Impression en 3D des jointures

Photo ajout_insert jointure_a3

Ajout des inserts

3. Support en forme de matrice pour les neopixels

<model-viewer> template

Impression de la matrice

Photo dimension de la matrice

La taille de la matrice

Photo matrice

Support des LEDs

4. Assemblage des pièces de la maquette:

Photo assemblage

Assemblage jour 1

Photo assemblage

Assemblage jour 2

Photo assemblage

Assemblage jour 3

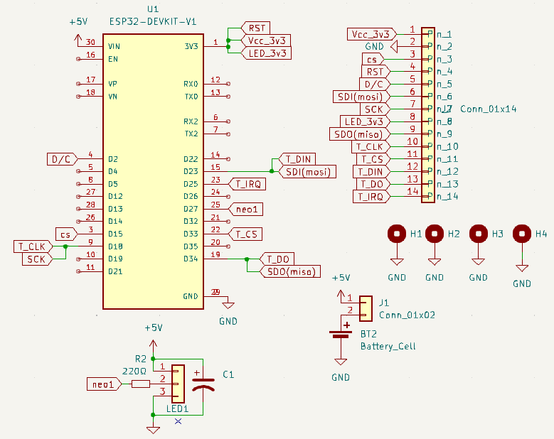
B. Conception du circuit imprimé [PCB]

La conception du circuit électronique va se faire sur le logiciel Kicad.

Étape 1: Schéma fonctionnel

Schéma_fctl

Étape 2: dessin de la shématique du circuit

Schématique

Étape 3: Réalisation du PCB

Photo Circuit électronique

PCB sans le plan de masse

Photo Circuit électronique

PCB avec la couche "Front"

Photo Circuit électronique

PCB avec la couche "Back"

Étape 4: Modèle 3D du PCB

Photo Circuit électronique

Visuel 3D du circuit

Photo Circuit électronique

Résultat physique du circuit

III. PROTOTYPAGE

Test de communication entre les LEDs neopixels, le µPC ESP32 et le TFT

Photo Prototypage

Test de fonctionnement entre LEDs & ESP32

Photo Prototypage

Test de fonctionnement entre TFT & ESP32

Programmation de la première interface de jeu

Photo Prototypage

Début de la programmation

Photo Prototypage

Début de la programmation

Assamblage final

Photo Prototypage

Assamblage

Photo Prototypage

Vue final du plateau de jeu

IV. Perspective d’évolution

Frontiéra est un jeu où les joueurs interagissent entre eux à travers un écran unique. Afin de perfectionner à l’avenir, nous suggérons un plateau à quatre écrans qui permet à chaque joueur d’avoir son propre écran de contrôle. Afin d’accomplir cela, quatre microcontrôleurs seront nécessaires pour gérer ces écrans tactiles. La communication en CAN bus est possible pour ces microcontrôleurs, avec un des microcontrôleurs en tant que maître de la communication et les trois autres en tant qu’esclaves.

Photo Prototypage

Modèle de plateau proposé

Photo Prototypage

Les microcontrôleurs


This site uses Just the Docs, a documentation theme for Jekyll.